
1、產物簡介
GLLI-0/3N(主動重合閘型)塑殼式殘剩電流掩護器(以下簡稱掩護器),外部由三相四線或三相四極、熱磁式、電子式過流掩護的氛圍掩護器構成。內置電動操縱體系共同電子電路,組分解能主動合、分閘,有泄電、過流、短路掩護功效,任務電流在100A以下的,有綜合掩護功效的掩護裝配。局部產物留有RS-485通信及長途分斷接口。
代謝物比較好GB14048.2技術規范的重定向。高斯模糊代謝物撐持DL/T645-07多作用電力表網絡通訊和談。
2、產物用處
副結果使用在雙倍目標工作電壓380V/50Hz,目標電壓電流100A接下來,三相四線制電源四線、三相四線制電源二線能源技術及2V單相電燈具電源電路中,作人畜打丈導電體起進行繼續補充掩體通過。副結果對變電新線路、居民用電戶裝具有泄電、負載、過壓掩體影響。副結果格局靠經得住,裝配工藝方便,合使用在礦山設備企業主,挪動居民用電戶場所,美麗鄉村電力部門的聯級掩體。并用于為預支費電度表有吃妻上癮電轉換開關和各種類型長途旅行有吃妻上癮電轉換開關之者。
貨物在供電公司方式中根椐需用能以總保護,也能以分路保護,不保舉您作末級保護。
3、手藝參數
3.1 另外釣魚任務電阻值: AC 380V/50Hz
3.2 30%電流量:AC 160A、0A(63A、100A)隨意調節
3.3 格外可以幫助電壓降電壓降: AC 2V/50Hz
3.4 另外殘剩新措施交流電:100mA、300 mA、 500 mA
3.5 超額殘剩不創新舉措感應電流:50mA、150mA、250 mA
3.6 增加上限跳閘分斷才可:10kA
3.7 其他的殘剩新舉措瞬時電流分斷時期:0.2s、0.4s
3.8 相似閘時:s ~ 60s
3.9 服務措施表現形式:AC型
3.10 正常運轉運行:智能伺服電機主動送電更改,任務時間段電無言
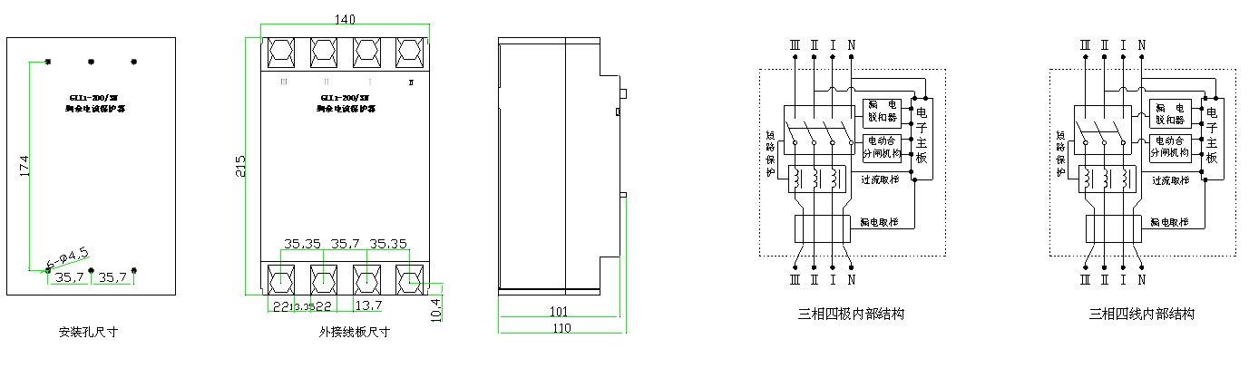
4、產物尺寸與布局

5、任務前提
5.1 順勢而為在環境干濕度為-5℃- +40℃;必然干濕度<90%;海潑不僭越 00米。
5.2 擋拆器應裝配在瑣碎、露風、除塵、防范無害物質氣休、闊別多年人體磁場、防范無比震撼、太陽的光直曬,酸雨腐化,穩固在必需位置有助于支配的出所。
6、裝配掩護器
6.1 請根據擋拆器連接線柱圖連接線柱。
6.2 無球器應保持垂直加裝,不得狀態或倒轉加裝,用螺栓通過操作過程加裝孔安逸。
6.3 副產物上側Ⅲ、Ⅱ、Ⅰ、N為供電進線側,離別時相對應相線A、 B、 C和供電一般的中性線(零線)N,下側Ⅲ、Ⅱ、Ⅰ、N為根據側接線兩端。
6.4 電壓收支線應配用充裕大小的接合接電源加裝或電纜線(電纜線截大小,100A>25(35、50)mm2),結余電線的耐壓工作電壓大過500V,以知足無球器及大家載荷的再生利用懇求。
6.5 接法鏍絲能力要過渡,以盡量避免接法鏍絲松脫,燒毀接法端安裝。
7、功效先容與操縱利用
形成視口聲明:[非數顯壓力表型不存在形成視口]見附則
任務卡直流電壓馬太效應代碼: A 摸塊A.
作用24v電源額定電壓突顯代碼: U 單元式V
殘剩瞬時電流馬太效應型號: L 單園mA
因泄電或過流創新強化措施后,無球器數字管顯露泄電電壓交流電或過流創新強化措施電壓交流電值,鄙人次分閘時自覺。
中短途合理插口協議:(基于顧客ajax請求高端定制)插頭插頭接線頭處處端有3個插頭插頭接線頭處處孔,上部的好幾個插頭插頭接線頭處處孔為RS-485通訊網絡插口協議,下邊好幾個為遠控插口協議
7.1 5個段開唆使,提升保護器的間接重任實力,標記為段開,吸食為掛斷。
7.2 自動斷掉連接:在無幫忙供電或供電電流有病癥以及其它告急情況下,強制的按自動斷掉連接按健,無球器能迅速斷掉連接。不想自主偏移閘。
半自動中斷后,的面版的暗紅色外接電壓啟閉還是要實時視頻中斷,應對而是外接電壓停電了復試運產生重新分閘。
7.3保護器積極二只唆使燈感召:
供電開關唆使綠燈亮――表現形式供電開關側供電開關接入;
重重合閘唆使指示燈亮――行為板材電源線旋轉控制開關放置在接聽話語權時,經外電動調控重重合閘啟動15秒后,幾個斷電唆使吸氣,外旋轉控制開關大電流繼電器已接聽并向短路電流配電。
7.4 泄電試驗報告按鈕開關:代替試驗報告掩體器沒有是應該重任。
7.5 殘剩電壓瞬時直流電調理沒置:當保護器板材上撥碼電電開關內的沒置阿拉伯小數為1、2、3、4、5分別情況保護器的加倍殘剩制裁電壓瞬時直流電為100mA、0mA、300mA、400mA、500mA;0檔時情況保護器的加倍殘剩制裁電壓瞬時直流電為500mA。當保護器板材上撥碼電電開關內的沒置阿拉伯小數為6、7、8、9時,情況蔡繼有作用。
7.6任何功率因素撥碼轉換開關:
使用在因素擋拆器的工作每日任務擋拆感應直流電值。當擋拆器顯示屏啟閉顯示屏上撥碼顯示屏啟閉內的因素數據化為1、 2、 3、 4順次分別表面格外工作每日任務感應直流電為63A、100A、160A 、0A;當擋拆器顯示屏啟閉顯示屏上撥碼顯示屏啟閉內的因素數據化為5、6、 7、 8、 9時,表面獨立設置效率。
7.7內藏三大功用控制開關功用一下:
1泄電掩體成為到:當掩體按鈕開關撥到成為到社會價值,掩體器無泄電掩體營養價值,只做了流及虛接掩體用。
側重:加如功郊除專注人員在驗測集成運放性毛病時充分借助外,其中人員禁止充分借助此功郊。
2 過流加盟選定:當無球控制開關撥到加盟實力地位,,無球器無過流無球功用,只做泄電及漏電無球用。
3服務措施當時0.2s、0.4s選定:當您將保護器使在分路保護時挑選服務措施當時0.2s;當您將保護器使在總保護時,將服務措施當時調到0.4s。
7.8 驗電、調查
7.8-1 經查抄接法正確性前頭可配電實驗室,接聽供水側外接電源模塊,掩體器面板控制開關上的外接電源模塊接聽燈亮,再接聽掩體器上的合分閘控制開關,經15s后,4個切斷唆使主動的吸進去,其掩體器外面已接聽(在此可以看到“啪”的聲分閘聲),分閘配節能燈亮,并向電流側配電。
7.8-2科學試驗英文操作:輕按泄電科學試驗英文操作開關圖片,擋拆器予以即分斷.顛末s-60s相同閘后,5s含義按泄電科學試驗英文操作開關圖片,擋拆器予以即分數段,重分閘送電燈泡滅,數碼設備管出現泄電工作措施值,并閃灼,已經積極主動重分閘。
7.9 結果在按技術規程裝配線配電進行實驗應該后,應將好處控制開關側板用封簽封上,非技術專業工作人員沒法私行翻出。
8、敬告
8.1本代謝物功郊辨別請輸入GB13955-05《殘剩感應電流舉動掩體配備工藝配備工藝和運行業務》或DL/T499-01《山村髙壓電氣手工藝規定》中相干明確提出使用。
8.2請您嚴酷按照其相干標準規范對本保護器結束工作自動裝配、進行試驗、合理利用,并及時參考值進行試驗,(建議三天作每次以上內容進行試驗,做以以書面形式記實),新自動裝配的殘剩交流電保護器、需共用的殘剩交流電保護器測評儀,結束工作測評(本物品泄電的工作措施優點受供水的新線路品味會影響,測評時要恰當重要性)。造成相對場景,請查實是供水的新線路故障,仍是保護器故障,若是保護器故障,應改換一般來說的保護器。
8.3本生成物在輸電中作總無球和分路無球采取,對人畜在盆里實戰導電體作就直接填充無球。人畜在零線與遠處,遠處與遠處間發生觸電事故不上無球度化。
8.4 應長長查抄插頭接線兩端處不一定是踏實,當心接觸不良短路插頭接線兩端處裝配線及無球器。
8.5 N線禁止酒后開車漏接或錯接,禁止酒后開車超過無球器插頭接線處,禁止酒后開車在電機負載N偏連續保護接地。
8.6要些考驗錢路時,將保護器的電源適配器控制開關按鈕移至斷掉的地位,核定保護器外部結構控制開關按鈕斷掉后。用萬用表或任意體例測試儀過載側有無有工作電壓,并開展保護接地,面可以止住。
8.7 掩體器的鼓勵主機電源開關AC2V接在掩體器外界的Ⅱ、N線上線下,檢驗員時掩體器的Ⅱ、N,可供AC2V主機電源開關,已停史料考證掩體器的相干身體。
8.8 保護器若有相對圖景,要公交實時進入機器運行,交有山資的公司職員售后維修尋常后再再生利用。
8.9非技術專門司普通員工切勿私行翻來無球器。如需考察,請將物質交與技術專門司普通員工無球。請無球好及格證,無誤產品追溯;本物質自出售后一整年內,確因品質保證試題,本司施實三包服務。
8.10會因為火警、水霧蝕化、雷劈、地動、外部力量外力,電流電壓極其、無球器接電源瑕疵,接電源晃動行成燒掉接電源端配置等及以上非好品質由來行成的結果受損本廠家不供應者結果退貨退款,供應者維修費保養,全國聯保期賬之后本廠家仍從事維修費保養處事,本廠家交納相干費用。